English
Español
Português
русский
Français
日本語
Deutsch
tiếng Việt
Italiano
Nederlands
ภาษาไทย
Polski
한국어
Svenska
magyar
Malay
বাংলা ভাষার
Dansk
Suomi
हिन्दी
Pilipino
Türkçe
Gaeilge
العربية
Indonesia
Norsk
تمل
český
ελληνικά
український
Javanese
فارسی
தமிழ்
తెలుగు
नेपाली
Burmese
български
ລາວ
Latine
Қазақша
Euskal
Azərbaycan
Slovenský jazyk
Македонски
Lietuvos
Eesti Keel
Română
Slovenski
मराठी
Srpski језик
پروڈکٹ فیچریس
1 ، ڈی سی جنریشن اور ڈی سی اسٹوریج ، زیادہ کارکردگی اور کم نقصان ، جو پی وی اور اسٹوریج پاور کے لئے موزوں ہے زیادہ ہے
لوڈ پاور آف گرڈ منظرناموں کے مقابلے میں ؛
2 ، IP65 تحفظ ، بیرونی استعمال کو پورا کرنا۔ قریبی ایم پی پی ٹی کو فروغ دینے والے کنورجنس آؤٹ پٹ ، جو وائرنگ کو روکنے میں مدد کرتا ہے
متعدد فوٹو وولٹک (پی وی) کیبلز کی وجہ سے الجھن جو طویل فاصلے پر آل ان ون سسٹم میں منتقل ہوتی ہے۔
3 ، 200-900V وسیع وولٹیج رینج فوٹو وولٹک ان پٹ ، جس میں صنعت کے اعلی موجودہ فوٹو وولٹک ماڈیول تک رسائی کی حمایت ہوتی ہے۔
4 、 ملٹی چینل ایم پی پی ٹی ، پی وی پینل ملٹی اینگل سے ملاقات کریں
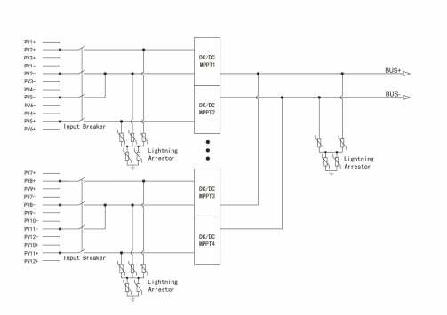
وائرنگ ڈایاگرام

تفصیلات
| ماڈلز | MPPT-8 | MPPT-6 | MPPT-12 | |
| پی وی سائیڈ انٹرفیس پیرامیٹرز |
زیادہ سے زیادہ پی وی سرنی وولٹیج | 900V | ||
| ایم پی پی ٹی وولٹیج کی حد | 200V-900V | |||
| درجہ بندی شدہ MPPT وولٹیج کی حد | 560V-900V | |||
| زیادہ سے زیادہ برانچ موجودہ | 24a | 20a | ||
| پی وی ان پٹ اسٹرنگ نمبر | 8 | 6 | 12 | |
| ایم پی پی ٹی کی تعداد | 8 | 2 | 4 | |
| موجودہ فی ایم پی پی ٹی | 20a | 55a | ||
| آؤٹ پٹ پیرامیٹرز | وولٹیج کی حد | 600-950V | ||
| ریٹیڈ وولٹیج | پہلے سے طے شدہ 716.8V ، سایڈست | |||
| ریٹیڈ آؤٹ پٹ موجودہ | 118a | 84a | 168A | |
| ریٹیڈ آؤٹ پٹ پاور | 84 کلو واٹ | 60 کلو واٹ | 120 کلو واٹ | |
| زیادہ سے زیادہ آؤٹ پٹ موجودہ | 192a | 120a | 240a | |
| سسٹم پیرامیٹرز | eue cinency | 99.4 ٪ | ||
| آئی پی گریڈ | IP65 | |||
| کولنگ کا تصور | قدرتی نقل و حمل | جبری ہوا سے ٹھنڈا ہونا | ||
| طول و عرض (W*D*H) | 550x530x280 ملی میٹر | 630 × 460 × 260 ملی میٹر | 630 × 460 × 260 ملی میٹر | |
| وزن | 42 کلوگرام | 25 کلوگرام | 30 کلوگرام | |
| آپریٹنگ درجہ حرارت | -30 ~ 55 ℃ | |||
| بجلی کی فراہمی کے طریقوں | خود سے چلنے والا (رات کے وقت پاور کامسپشن کے بغیر) | |||
| مواصلات انٹرفیس | RSS485 | |||
