English
Español
Português
русский
Français
日本語
Deutsch
tiếng Việt
Italiano
Nederlands
ภาษาไทย
Polski
한국어
Svenska
magyar
Malay
বাংলা ভাষার
Dansk
Suomi
हिन्दी
Pilipino
Türkçe
Gaeilge
العربية
Indonesia
Norsk
تمل
český
ελληνικά
український
Javanese
فارسی
தமிழ்
తెలుగు
नेपाली
Burmese
български
ລາວ
Latine
Қазақша
Euskal
Azərbaycan
Slovenský jazyk
Македонски
Lietuvos
Eesti Keel
Română
Slovenski
मराठी
Srpski језик
مصنوعات کی خصوصیات
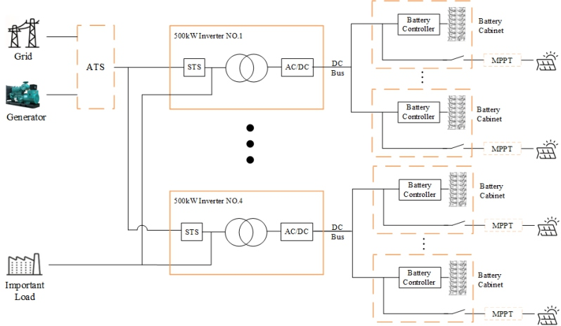
1. 500 کلو واٹ سے زیادہ بوجھ ، یہ تجویز کی جاتی ہے کہ ایک بڑی صلاحیت 500 کلو واٹ سنگل یونٹ انرجی اسٹوریج انورٹر کو استعمال کریں ، جو 2 میگاواٹ ; کے متوازی بجلی کی پیداوار کو حاصل کرنے کے قابل ہیں ، جو متوازی رابطوں کے چار سیٹوں کی حمایت کرنے کے قابل ہیں۔
2. جب متوازی طور پر متعدد 500 کلو واٹ سسٹم کو چلاتے ہیں اور STSacross مختلف 500 کلو واٹ انورٹرز کی تقسیم کرتے ہیں تو ، یہ یقینی بنانا بہت ضروری ہے کہ گرڈ ٹائی پوائنٹ سے لے کر لوڈ ٹائی پوائنٹ تک کیبل کی لمبائی مستقل ہے۔
3. ہائبرڈ ای ایس ایس ڈی سی کے ساتھ مل کر فوٹو وولٹک انضمام کو ملازمت دیتا ہے ، جس میں اعلی توانائی کے تبادلوں کی کارکردگی کو حاصل ہوتا ہے اور پی وی جنریشن کی صلاحیت کے ساتھ آف گرڈ منظرناموں کے لئے بہتر بنایا جاتا ہے جس میں بوجھ کی طلب سے زیادہ ہے۔ آؤٹ ڈور ریٹیڈ ایم پی پی ٹی
کنٹرولرز کمبائنر اور ایم پی پی ٹی کی خصوصیات کو ایک ہی سخت دیوار میں ضم کرتے ہیں۔ مکمل نظام میں ڈیزل جنریٹر اے ٹی ایس آپشن ، 300 کلو واٹ ہائبرڈ انورٹر ، پی وی ایم پی پی ٹی کنٹرولر ، اور ایک بیٹری شامل ہے
انرجی اسٹوریج سسٹم۔


تفصیلات
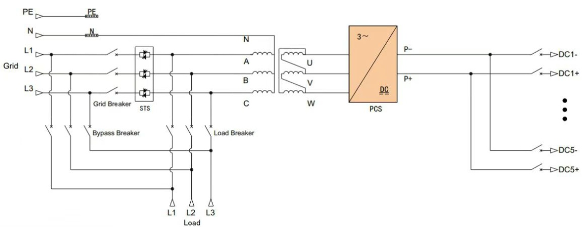
| ماڈلز | P500TS-400-A | |
|
ڈی سی سائیڈ پیرامیٹرز |
وولٹیج کی حد | 500-950V |
| زیادہ سے زیادہ موجودہ | 1128a | |
| ریٹیڈ آؤٹ پٹ پاور | 500 کلو واٹ | |
|
AC سائیڈ پیرامیٹرز (گرڈ سے منسلک) |
زیادہ سے زیادہ آؤٹ پٹ پاور | 550kW |
| ریٹیڈ آؤٹ پٹ موجودہ | 722a | |
| thdi | <3 ٪ | |
| گرڈ کی قسم | 3W+N+PE | |
| وولٹیج کی حد | 360VAC ~ 440VAC | |
| تعدد کی حد | 45 ~ 55Hz/55 ~ 65Hz | |
| پاور فیکٹر | -1 ~ 1 | |
| ریٹیڈ آؤٹ پٹ پاور | 500 کلو واٹ | |
|
AC سائیڈ پیرامیٹرز (آف گرڈ) |
ریٹیڈ آؤٹ پٹ وولٹیج | 400V |
| ریٹیڈ آؤٹ پٹ فریکوئنسی | 50/60Hz | |
| thdu | <1 ٪ لکیری بوجھ ، <5 ٪ غیر لکیری بوجھ | |
| اوورلوڈ صلاحیت | 110 ٪ 10 منٹ | |
| بحالی بائی پاس سوئچ | 1250a | |
|
آف گرڈ سوئچ اور کنفیگریشن سوئچ کریں |
ڈی سی سوئچ | 1250a |
| لوڈ سوئچ | 1250a | |
| گرڈ سوئچ | 1250a | |
| ایس ٹی ایس یونٹ | 1155A/800KW | |
| سوئچنگ ٹائم | <20ms | |
|
سسٹم پیرامیٹرز |
peakefficcy | 97.5 ٪ |
| آپریٹنگ درجہ حرارت | -30 ~ 55 ℃ (40 ℃ سے اوپر کا رخ کرنا) | |
| نسبتا نمی | 0 سے 95 ٪ RH ، غیر کونڈینسنگ | |
| طول و عرض (l*d*h) | 1600 × 1050 × 2050 ملی میٹر | |
| وزن | 2700 کلوگرام | |
| ipggrade | IP21 IP21 (مکمل مشین) | |
| شور | <70db | |
| اسکرین ڈسپلے کریں | LCD | |
| بی ایم ایس مواصلات | کر سکتے ہیں | |
| EMS مواصلات | ٹی سی پی/آئی پی | |