English
Español
Português
русский
Français
日本語
Deutsch
tiếng Việt
Italiano
Nederlands
ภาษาไทย
Polski
한국어
Svenska
magyar
Malay
বাংলা ভাষার
Dansk
Suomi
हिन्दी
Pilipino
Türkçe
Gaeilge
العربية
Indonesia
Norsk
تمل
český
ελληνικά
український
Javanese
فارسی
தமிழ்
తెలుగు
नेपाली
Burmese
български
ລາວ
Latine
Қазақша
Euskal
Azərbaycan
Slovenský jazyk
Македонски
Lietuvos
Eesti Keel
Română
Slovenski
मराठी
Srpski језик |
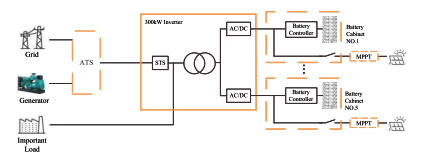
خصوصیت یہ نظام متوازی ترتیب میں ماڈیولر انورٹر یونٹوں کا استعمال کرتا ہے ، جہاں ہر انورٹر ماڈیول کا ڈی سی ان پٹ ایک سرشار بیٹری کابینہ کے مساوی ہے ، فی کلسٹر مینجمنٹ کو قابل بنانا بیٹری کے تار AC/DC پاور ماڈیول دونوں مقدار میں لچکدار تعیناتی کی حمایت کرتے ہیں اور 5 یونٹ متوازی میں 60 کلو واٹ ماڈیولز کی زیادہ سے زیادہ گنجائش کے ساتھ بجلی کی درجہ بندی ترتیب پاور ماڈیولز سے AC آؤٹ پٹ ٹرانسفارمر کے ذریعے پہنچایا جاتا ہے الگ تھلگ آؤٹ پٹ مرحلہ ، مضبوط مزاحمت کے ساتھ بوجھ کو بجلی کی فراہمی موجودہ جھٹکا ہائبرڈ ESS DC-copled فوٹو وولٹک انضمام کو ملازمت دیتا ہے ، جس میں اعلی حصول ہوتا ہے توانائی کے تبادلوں کی کارکردگی اور پی وی کے ساتھ آف گرڈ منظرناموں کے لئے بہتر بنایا گیا بوجھ کی طلب سے تجاوز کرنے کی صلاحیت ؛ آؤٹ ڈور ریٹیڈ ایم پی پی ٹی کنٹرولرز ایک ہی سخت دیوار میں کمبائنر اور ایم پی پی ٹی کی خصوصیات کو مربوط کریں۔ مکمل نظام میں ڈیزل جنریٹر اے ٹی ایس آپشن ، 300 کلو واٹ ہائبرڈ شامل ہے انورٹر ، پی وی ایم پی پی ٹی کنٹرولر ، اور بیٹری انرجی اسٹوریج سسٹم۔
خصوصیت یہ نظام متوازی ترتیب میں ماڈیولر انورٹر یونٹوں کا استعمال کرتا ہے ، جہاں ہر انورٹر ماڈیول کا ڈی سی ان پٹ ایک سرشار بیٹری کابینہ کے مساوی ہے ، فی کلسٹر مینجمنٹ کو قابل بنانا بیٹری کے تار AC/DC پاور ماڈیول دونوں مقدار میں لچکدار تعیناتی کی حمایت کرتے ہیں اور 5 یونٹ متوازی میں 60 کلو واٹ ماڈیولز کی زیادہ سے زیادہ گنجائش کے ساتھ بجلی کی درجہ بندی ترتیب پاور ماڈیولز سے AC آؤٹ پٹ ٹرانسفارمر کے ذریعے پہنچایا جاتا ہے الگ تھلگ آؤٹ پٹ مرحلہ ، مضبوط مزاحمت کے ساتھ بوجھ کو بجلی کی فراہمی موجودہ جھٹکا ہائبرڈ ESS DC-copled فوٹو وولٹک انضمام کو ملازمت دیتا ہے ، جس میں اعلی حصول ہوتا ہے توانائی کے تبادلوں کی کارکردگی اور پی وی کے ساتھ آف گرڈ منظرناموں کے لئے بہتر بنایا گیا بوجھ کی طلب سے تجاوز کرنے کی صلاحیت ؛ آؤٹ ڈور ریٹیڈ ایم پی پی ٹی کنٹرولرز ایک ہی سخت دیوار میں کمبائنر اور ایم پی پی ٹی کی خصوصیات کو مربوط کریں۔ مکمل نظام میں ڈیزل جنریٹر اے ٹی ایس آپشن ، 300 کلو واٹ ہائبرڈ شامل ہے انورٹر ، پی وی ایم پی پی ٹی کنٹرولر ، اور بیٹری انرجی اسٹوریج سسٹم۔
وضاحتیں |
|||||
| ماڈلز | P200TS-400-A. | P250TS-400-A. | P300TS-400-A | ||
|
ڈی سی سائیڈ پیرامیٹرز |
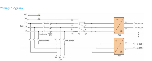
وولٹیج کی حد | 650-950VDC | |||
| فی ماڈیول ان پٹ سوئچ | 250a | ||||
| ڈی سی چینلز کی تعداد | 3 راستہ | 4 راستہ | 5 راستہ | ||
|
AC سائیڈ پیرامیٹرز (گرڈ سے منسلک) |
ریٹیڈ آؤٹ پٹ پاور | 200 کلو واٹ | 250 کلو واٹ | 300 کلو واٹ | |
| زیادہ سے زیادہ آؤٹ پٹ پاور | 220kW | 275KW | 330kW | ||
| ریٹیڈ آؤٹ پٹ موجودہ | 289a | 361A | 433a | ||
| thdi | <3 ٪ | ||||
| گرڈ کی قسم | 3W+N+PE | ||||
| وولٹیج کی حد | 360VAC ~ 440VAC | ||||
| تعدد کی حد | 45 ~ 55Hz/55 ~ 65Hz | ||||
| پاور فیکٹر | -1 ~ 1 | ||||
|
جزیرے والا AC سائیڈ پیرامیٹرز |
ریٹیڈ آؤٹ پٹ پاور | 200 کلو واٹ | 250 کلو واٹ 300 کلو واٹ | ||
| ریٹیڈ آؤٹ پٹ وولٹیج | 400vac | ||||
| ریٹیڈ آؤٹ پٹ فریکوئنسی | 50/60Hz | ||||
| thdu | <1 ٪ لکیری ، <5 ٪ نان لائنر <1 ٪ لکیری ، <5 ٪ نان لائنر | ||||
| اوورلوڈ صلاحیت | 10 منٹ کے لئے 10 منٹ 110 ٪ کے لئے 110 ٪ اوورلوڈ | ||||
|
گرڈ آئلینڈنگ منتقلی اور سوئچ گیئر |
بحالی بائی پاس سوئچ | 400A | 630a | ||
| گرڈ سوئچز | 630a | 800a | |||
| لوڈ سوئچز | 400A | 630a | |||
| ایس ٹی ایس یونٹ | 577A/400KW | 722a/500kW | |||
| سوئچنگ ٹائم | <20ms | ||||
|
سسٹم پیرامیٹرز |
چوٹی کی کارکردگی | 97.5 ٪ | |||
| آپریٹنگ درجہ حرارت | -30 ~ 55 ℃ -30 ~ 55 ℃ (40 ℃ سے اوپر کا رخ کرنا) | ||||
| نسبتا نمی | 0 ~ 95 ٪ RH ، 0 ~ 95 ٪ RH ، غیر کونڈینسنگ | ||||
| طول و عرض (l*d*h) | 1300 × 1050 × 2050 ملی میٹر | ||||
| وزن | 1400 کلوگرام | 1700 کلوگرام 1800 کلوگرام | |||
| ipggrade | IP21 IP21 (مکمل سیٹ) | ||||
| شور | <70db | ||||
| اسکرین ڈسپلے کریں | LCD ٹچ اسکرین | ||||
| بی ایم ایس مواصلات | کر سکتے ہیں | ||||
| EMS مواصلات | ٹی سی پی/آئی پی | ||||